封装信息 (1)
支持信息 (1)
-
Footprint for wave soldering[QFP-SQFP-TQFP-WAVE]
数据手册 (1)
-
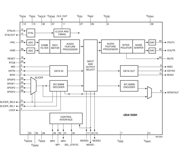
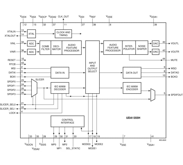
Stereo audio codec with SPDIF interface[UDA1355H]
UDA1355H是单芯片IEC 60958解码器和编码器,提供采用位流转换技术的集成式立体声数模转换器和模数转换器。
UDA1355H具有可选的四选一SPDIF输入(接受级别I、II和III时序)和一个SPDIF输出,可以生成具有CMOS电平的II级输出信号。在微控制器模式中,UDA1355H可通过多种方式定义流经IC的信号,同时提供灵活的模拟、数字和SPDIF转换器芯片,可通过数字输入和输出接口进行片外声音处理。
当IEC 60958解码器和时钟重新生成机制锁定时,LOCK引脚上有可用的锁定指示器。默认情况下,当解码器失锁时,DAC输出和数字数据接口输出为静音。
UDA1355H包含两个系统时钟,可在独立频率下运行,允许锁定传入SPDIF或数字音频信号,同时通过晶体振荡器生成用于驱动的稳定信号,例如ADC或SPDIF输出信号。
使用晶体振荡器(需要12.288 MHz晶体)和片上低抖动PLL,可以生成所有标准音频采样频率(fs= 32、44.1和48 kHz,包括这些频率的一半频率和双倍频率)。
|
|
|
|
|
|
|
|---|---|---|---|---|---|
|
|
|
|
|
|
|
|
|
|
|
|
|
|
|
|
|
|
|
|
|
|
|
|
|
|
|
|
|
|
|
|
|
|
|
|
|
|
|
|
|
|
|
|
|
|
|
|
|
|
|
|
|
|
|
|
|
|
|
|
|
|
|
|
|
|
|
|
|
|
快速参考恩智浦 文档类别
3 文件
紧凑列表
安全文件正在加载,请稍等