带SPI的八路串联开关

  • 本页面包含有关样品阶段产品的信息。此处的规格和信息如有更改,恕不另行通知。如需了解其他信息,请联系支持人员或您的销售代表。

查看产品图片

产品详情

框图

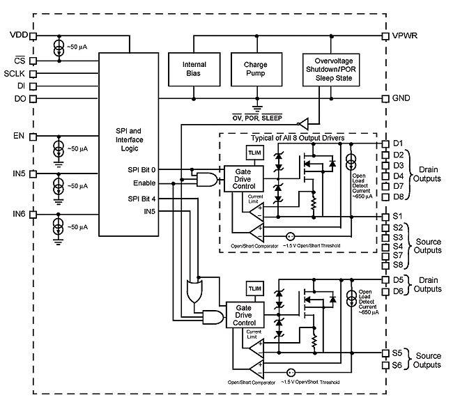
MC33880_BD

NXP<sup>&#174;</sup> MC33880 Internal Block Diagram

特征

  • 设计工作电压范围:5.5 V ≤ VPWR ≤ 24.5 V
  • 用于控制和故障报告的8位SPI,兼容3.3 V/5.0 V
  • 限制输出电流(0.8 A至2.0 A)以驱动白炽灯
  • 感应开关的输出电压限定为+45 V (典型值) (低边驱动)和-20 V (典型值) (高边驱动)。
  • VPWR的内部电池反向保护
  • 接地或者电源失效不会使负载通电或者损坏IC
  • 95 °C,13 V VPWR时,最大IPWR待机电流为5.0 µA
  • 25°C时导通电阻的典型值为0.55 Ohm
  • 带自动重试功能的短路监测和电流限制
  • 独立的过热保护
  • 32引脚SOICW的8、9、24和25号引脚接地,旨在提高热性能

购买/参数










































































































文档

快速参考恩智浦 文档类别

4 文件

紧凑列表

设计文件

软件

快速参考恩智浦 软件类型.

1 软件文件

注意: 推荐在电脑端下载软件,体验更佳。

支持

您需要什么帮助?