
SuperSpeed USB 3.0转接驱动器
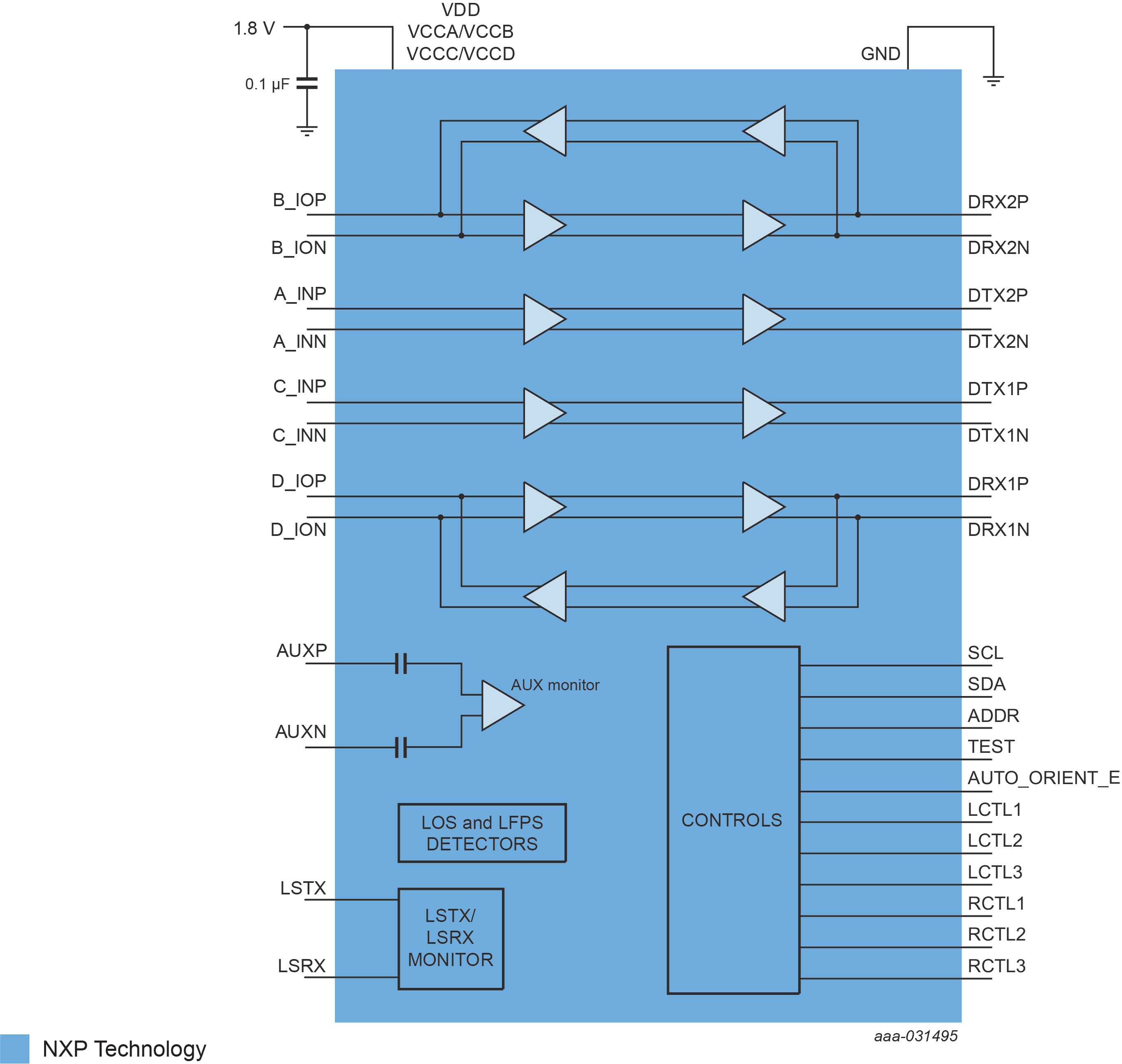
PTN38007是一款高性能USB4(每通路20 Gbps,共4通路)线性转接驱动器,适用于面向下行端口(DFP)或面向上行端口(UFP)的应用上的USB3.2、DisplayPort 1.4和Thunderbolt3 Alt模式/USB4应用。
该设备还可监听DP模式(AUX)和Thunderbolt3/USB4模式(LSTX/RX)的边带信号,优化配置和识别节能模式。
该设备提供可编程的线性均衡,通过引脚打包的输出摆动线性度控制或I²C控制来提高信号完整性,并通过减少符号间干扰(ISI)来实现信道扩展。
PTN38007常用于处理器和面向USB Type-C端口的重定时器之间。
PTN38007供电电源为1.8 V。它采用高性能的小型HWFLGA36封装。
如需了解更多信息和样品供货情况,请联系当地的销售机构。
|
|
|
|
|
|
|
|---|---|---|---|---|---|
|
|
|
|
|
|
|
|
|
|
|
|
|
|
|
|
|
|
|
|
|
|
|
|
|
|
|
|
|
|
|
|
|
|
|
|
|
|
|
|
|
|
|
|
|
|
|
|
|
|
|
|
|
|
|
|
|
|
|
|
|
|
|
|
|
|
|
|
|
|
快速参考恩智浦 文档类别
2 文件
紧凑列表
安全文件正在加载,请稍等