高速CAN收发器汽车应用

  • 建议不要在新设计中使用本页介绍的产品。

查看产品图片

产品详情

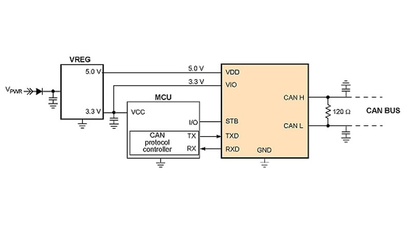
框图

MC33901 34901 Internal Block Diagram

MC33901 34901 Internal Block Diagram

特征

  • 待机模式下可实现超低电流消耗,典型值为8µA
  • 可自动监测来自MCU的I/O电压(3.3 V或5.0 V)
  • 部分版本在待机模式下带远程CAN唤醒功能。
  • 可兼容ISO11898-2和-5
  • 引脚和功能符合市场标准
  • +/-8.0 kV ESD接触放电,符合IEC61000-4-2,150 pF-330R
  • 超高的抗电磁干扰性能和超低的电磁辐射,无需共模电感或其他外部组件。
  • 内置长线缆和低波特率网络支持
  • TXD显性超时
  • 未通电时采用被动模式,CAN总线漏电流<10 µA。
  • VDD和VIO监测

文档

快速参考恩智浦 文档类别

2 文件

紧凑列表

支持

您需要什么帮助?