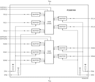
PCA9518A是一款CMOS集成电路,主要用于I²C总线和SMBus系统应用。
在保留I²C总线系统所有工作模式和功能的同时,它允许通过缓冲数据(SDA)和时钟(SCL)线路以允许扩展I²C总线,从而可使用几乎无限条400 pF的总线。
400 pF的I²C总线电容极限会限制器件数和总线长度。使用PCA9518A能使系统设计师将总线分成集线器的若干个区段,没有数目限制,其中任何区段至区段转变只会看到一个转发器延迟且每个区段上均有多主器件能力。
使用多个PCA9518A部件,可使用扩展引脚使用任意宽度的集线器(五的倍数)1。
PCA9518A是PCA9518的宽范围电压(2.3 V至3.6 V)版本且还改善部分节电性能,在VDD低于2.0 V时保持I²C总线I/O引脚处于高阻抗状态。
PCA9518集群无法串联PCA9515/16或另一个PCA9518集群。由于EXPxxxn引脚允许从集群内的一个PCA9518发送I²C总线信号至另一个PCA9518或从一个PCA9518接收另一个PCA9518的I²C总线信号,所以多个PCA9518器件可与其他PCA9518器件成组为任何大小的集群。由于没有方向引脚,所以使用稍有不同的“合法”低电压以避免集群中独立转发器输入和输出之间的锁定状况。任何PCA9518器件的输入上施加的“常规低电平”会以稍高的值作为“缓冲低电平”传输至PCA9518集群中所有已启用输出。当此“缓冲低电平”应用至串联的PCA9515和PCA9516或独立的PCA9518集群(未通过EXPxxxn引脚连接)时,第二个PCA9515和PCA9516或PCA9518集群不会将其识别为“常规低电平”且不会再次将其作为“缓冲低电平”传输。PCA9510/9511/9513/9514和PCA9512无法与任一PCA9515和PCA9516或PCA9518串联使用,但可与其自身串联使用,因为其使用切换而非静态偏移以避免锁定状况。此注意事项也适用于这些器件的“A”版本。
1