双H桥,电机驱动器,2-8.6V,1.4A,200kHz

  • 本页面包含有关样品阶段产品的信息。此处的规格和信息如有更改,恕不另行通知。如需了解其他信息,请联系支持人员或您的销售代表。

产品详情

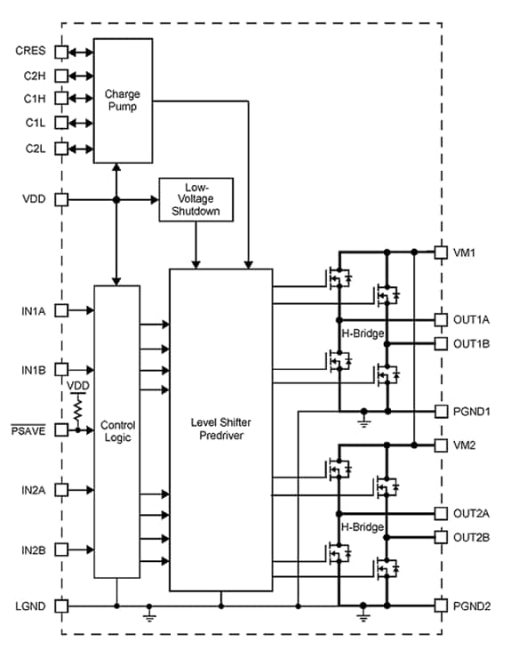
框图

MPC17531

MPC17531

特性

基本信息

  • 总导通电阻低,0.8Ω (典型值),1.2Ω (最大值) @ 25°C
  • 输出电流:0.7A (DC)
  • 直通电流保护电路
  • 高达200kHz的PWM控制输入频率
  • 内置电荷泵电路
  • 低功耗
  • 欠压检测和关断电路
  • 节电模式电流消耗≤2.0µA
  • 后缀代码EV和EP指定的无铅封装
  • 并行接口和输入控制
  • 环境工作温度:–20°C(最低),65°C(最高)
  • 负载电源电压:2V(最小值),8.6V(最大值)

购买/参数










































































































文档

快速参考恩智浦 文档类别

5 文件

紧凑列表

产品变更通知 (1)
应用笔记 (3)
数据手册 (1)

设计文件

软件

快速参考恩智浦 软件类型.

2 软件文件

注意: 推荐在电脑端下载软件,体验更佳。

支持

您需要什么帮助?