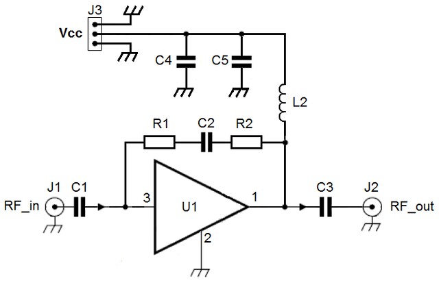
BGA3018演示板,5 MHz至300 MHz 18 dB增益逆向放大器应用

  • 本页面包含有关样品阶段产品的信息。此处的规格和信息如有更改,恕不另行通知。如需了解其他信息,请联系支持人员或您的销售代表。

滚动图片以放大

产品详情

特征

  • Evaluation of electrical DC and RF performance like IDC, S-Parameters, Distortion levels, P-1 dB, Noise Figure
  • 器件模型和S参数
  • PCB布局评估

文档

快速参考恩智浦 文档类别

1 文件

紧凑列表

支持

您需要什么帮助?