封装信息 (1)
支持信息 (2)
-
Footprint for wave soldering[HTQFP-HLQFP-LQFP-MSQFP-WAVE]
-
Footprint for wave soldering[SSOP-TSSOP-VSO-WAVE]
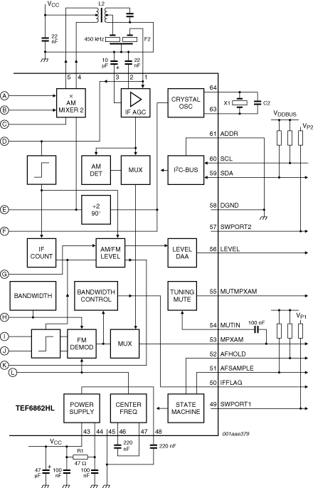
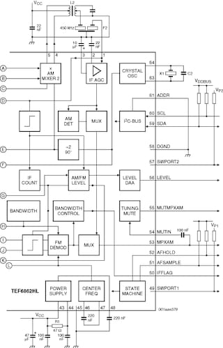
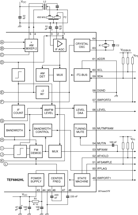
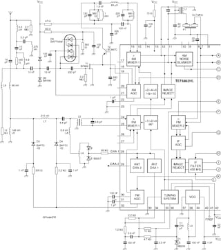
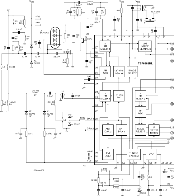
TEF6862是适用于AM、FM和气象波段接收的单芯片汽车收音机调谐器,为LW、MW和全频范围SW(11 m-120 m波段)提供AM双转换,其中IF1 = 10.7 MHz,IF2 = 450 kHz。
FM双转换到IF1 = 10.7 MHz和IF2 = 450 kHz,集成了IF1和IF2镜频抑制;具有可变带宽和自动带宽控制算法的集成中频滤波器,可通过I²C总线提供灵活性;适用于美国FM、欧洲FM、日本FM、东欧FM和气象波段接收;所有FM波段都可通过FM混音器1中的高注入LO或低注入LO进行选择。
调谐系统包括:晶体振荡器、VCO、PLL合成器和状态机,用于通过微控制器进行定时非关键搜索控制、预置变更和AF检查。
|
|
|
|
|
|
|
|---|---|---|---|---|---|
|
|
|
|
|
|
|
|
|
|
|
|
|
|
|
|
|
|
|
|
|
|
|
|
|
|
|
|
|
|
|
|
|
|
|
|
|
|
|
|
|
|
|
|
|
|
|
|
|
|
|
|
|
|
|
|
|
|
|
|
|
|
|
|
|
|
|
|
|
|
快速参考恩智浦 文档类别
4 文件
紧凑列表
安全文件正在加载,请稍等