封装信息 (1)
应用笔记 (2)
-
AN262[AN262]
数据手册 (1)
-
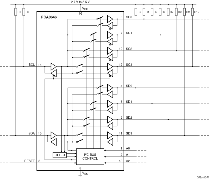
Buffered 4-channel 2-wire bus switch[PCA9646]
The PCA9646 is a monolithic CMOS integrated circuit for 2-wire bus buffering and switching in applications including I²C-bus, SMBus, PMBus, and other systems based on similar principles.
Each of the four outputs may be independently enabled in any combination as determined by the contents of the programmable control register. Each I/O is impedance isolated from all others, thus allowing a total of five branches of 2-wire bus with the maximum specified load (e.g., 5 × 400 pF for Fm+ I²C-bus at 1 MHz, or 5 × 4 nF at lower frequencies) (Ref. 1). More than one PCA9646 may be used in series, providing a substantial fan-out capability.
The PCA9646 includes a unidirectional buffer for the clock signal, and a bidirectional buffer for the data signal. The direction of the clock signal may also be set by the contents of the programmable control register. Clock stretching and timing must always be under control of the leader device.
The PCA9646 has excellent application to 2-wire bus address expansion and increasing of maximum load capacitance. Very large LED displays are a perfect example.
|
|
|
|
|
|
|
|---|---|---|---|---|---|
|
|
|
|
|
|
|
|
|
|
|
|
|
|
|
|
|
|
|
|
|
|
|
|
|
|
|
|
|
|
|
|
|
|
|
|
|
|
|
|
|
|
|
|
|
|
|
|
|
|
|
|
|
|
|
|
|
|
|
|
|
|
|
|
|
|
|
|
|
|
快速参考恩智浦 文档类别
6 文件
紧凑列表
安全文件正在加载,请稍等