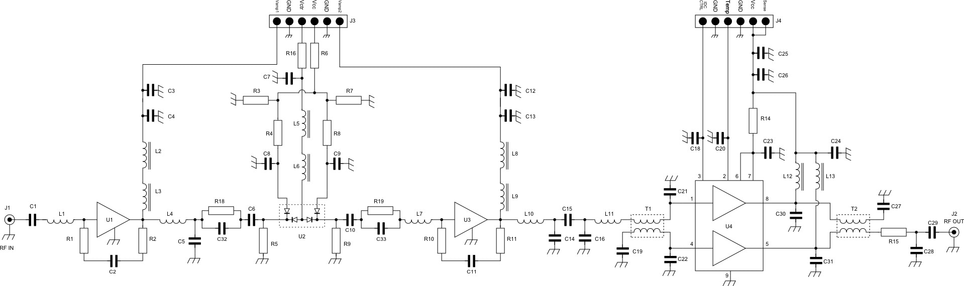
The BGA30xx Optical Mini Node kit enables the user to evaluate the BGA3018, BAP70Q, BGA3015 and BGA3022 in one system solution. It contains an RF board matched to 75 Ohm from 40 MHz up to 1200 MHz with F-connectors. The board operates between 5 V and 8 V.