8位双向低压转换器

  • 本页面包含有关样品阶段产品的信息。此处的规格和信息如有更改,恕不另行通知。如需了解其他信息,请联系支持人员或您的销售代表。

滚动图片以放大

产品详情

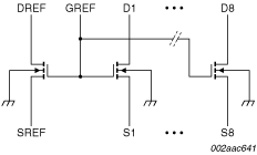
框图

选择框图:

GTL2003 Block Diagram

GTL2003 Block Diagram

Block diagram: GTL2003BQ, GTL2003PW

特征

  • 8位双向低电压变换器
  • 允许0.8 V、0.9 V、1.0 V、1.2 V、1.5 V、1.8 V、2.5 V、3.3 V和5 V总线(允许直接连接GTL、GTL+、LVTTL/TTL和5 V CMOS电平)之间的电压电平变换
  • 提供双向电压变换,无方向引脚
  • 输入和输出引脚(Sn/Dn)之间有低6.5 Ω导通状态阻抗(Ron)
  • 支持热插入
  • 无需电源:不会闭锁
  • 5 V耐受输入
  • 低待机电流
  • 直通引出线便于印刷电路板走线排布
  • ESD保护:按JESD22-A114超过2000 V HBM,按JESD22-C101超过1000 V CDM
  • 封装方式:TSSOP20、DHVQFN20

需要双向或单向电压电平转换的任何应用(从0.8 V至5.0 V的任意电压到0.8 V至5.0 V之间的任意电压转换) 无方向引脚的开漏结构非常适合双向低电压(例如,0.8 V、0.9 V、1.0 V、1.2 V、1.5 V或1.8 V)处理器I²C总线端口变换至普通3.3 V和/或5.0 V I²C总线信号电平或GTL/GTL+变换至LVTTL/TTL信号电平。

  • 需要双向或单向电压电平转换的任何应用(从0.8 V至5.0 V的任意电压到0.8 V至5.0 V之间的任意电压转换)
  • 无方向引脚的开漏结构非常适合双向低电压(例如,0.8 V、0.9 V、1.0 V、1.2 V、1.5 V或1.8 V)处理器I²C总线端口变换至普通3.3 V和/或5.0 V I²C总线信号电平或GTL/GTL+变换至LVTTL/TTL信号电平。

购买/参数










































































































文档

快速参考恩智浦 文档类别

9 文件

紧凑列表

包装信息 (2)
封装信息 (2)
应用笔记 (3)
数据手册 (1)
用户指南 (1)

设计文件

支持

您需要什么帮助?