包装信息 (1)
培训资料 (1)
-
DesignCon 2003 TecForum I²C-Bus Overview[DESIGN_CON_2003_TECFORUM_I2C_B_1]
封装信息 (1)
应用笔记 (1)
-
AN10216[AN10216]
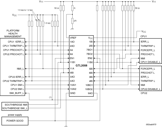
GTL2008是一款用在双Xeon处理器、平台健康管理、南桥以及电源LVTTL和GTL信号之间的自定义变换器。
功能和引脚与GTL2007完全相同,GTL2008 LVTTL和GTL输出已改为在EN1和EN2为低电平时进入高阻抗状态,11BO除外,因为其正常状态为低电平,所以强制为低电平。EN1和EN2将保持低电平直至VCC处于正常电压,其他输入为有效状态,VREF处于正确电压以确保各输出在上电时保持高阻抗。
GTL2008具有使能功能,以便取消向平台监视代理输出错误,该代理会监视各处理器的每一个错误状态。可使用此使能功能使系统意外断电时的伪错误状态不会传至监视代理。这类意外断电可能源于电源过载、CPU热脱扣或监视代理不能察觉的其他事件。
典型措施是将各使能线路连接至系统电源良好信号,或将各使能线连接至各处理器的VRD电源良好信号。
典型Xeon处理器指定1.1 V至1.2 V的VTT以及0.73 V至0.76 V的标称Vref。为允许将来可能使Vref扩展为0.63 VTT(VTT为1.1 V时最小为0.693 V)的电压电平变换,GTL2008允许最小Vref为0.66 V。特性结果表明这些Vref电平之间的DC或AC性能变化很小。

|
|
|
|
|
|
|
|---|---|---|---|---|---|
|
|
|
|
|
|
|
|
|
|
|
|
|
|
|
|
|
|
|
|
|
|
|
|
|
|
|
|
|
|
|
|
|
|
|
|
|
|
|
|
|
|
|
|
|
|
|
|
|
|
|
|
|
|
|
|
|
|
|
|
|
|
|
|
|
|
|
|
|
|
快速参考恩智浦 文档类别
5 文件
紧凑列表
安全文件正在加载,请稍等