SMBus-Compatible, 8-Pin, Remote/Local Digital Temperature Sensor

产品详情

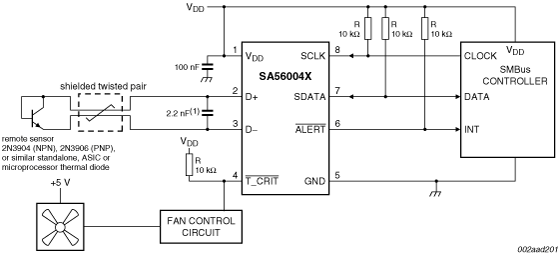
框图

选择框图:

SA56004X Block Diagram

SA56004X Block Diagram

Features

  • Accurately senses temperature of remote microprocessor thermal diodes or diode connected transistors within ±1 °C
  • On-chip local temperature sensing within ±2 °C
  • Temperature range of −40 °C to +125 °C
  • 11-bit, 0.125 °C resolution
  • 8 different device addresses are available for server applications. The SA56004ED with marking code 56004E, and SA56004EDP with marking code 6004E are address compatible with the National LM86, the MAX6657/8 and the ADM1032
  • Offset registers available for adjusting the remote temperature accuracy
  • Programmable under/overtemperature alarms: ALERT and T_CRIT
  • SMBus 2.0 compatible interface, supports TIMEOUT
  • Operating voltage range: 3.0 V to 3.6 V
  • I²C-bus Standard-mode and Fast-mode compatible
  • SO8, TSSOP8 and HVSON8 packages
  • Programmable conversion rate (0.0625 Hz to 26 Hz)
  • Undervoltage lockout prevents erroneous temperature readings
  • Latch-up testing is done to JEDEC Standard JESD78 which exceeds 100 mA

购买/参数










































































































文档

快速参考恩智浦 文档类别

1-10 / 12 文件

紧凑列表

包装信息 (3)
封装信息 (2)
应用笔记 (3)
手册 (1)
数据手册 (1)
用户指南 (1)
选型指南 (1)

设计资源

设计文件

快速参考恩智浦 设计文件类型.

4 设计文件

工程服务

5 工程服务

要查找支持该产品的其他合作伙伴产品,请访问我们的 合作伙伴市场.

支持

您需要什么帮助?