SPI/I²C至UART桥接演示板(SC16IS750)

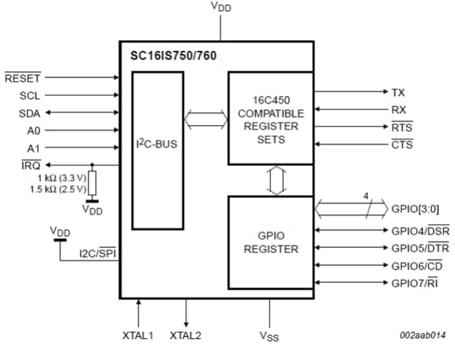
框图

SPI/I²C to UART bridge Demo Board

SC16IS750 Block diagram

支持的器件

接口

桥接器件

特征

主要特性

  • 完全符合行业标准16C450及同等标准
  • 16×时钟模式下高达5 Mbit/s的波特率
  • 使用RTS/CTS进行自动硬件流控制
  • 使用可编程Xon/Xoff字符进行自动软件流控制
  • 单个或两个Xon/Xoff字符
  • 可相互独立启用/禁用发送器和接收器
  • 工业温度范围:-40 °C至+95 °C
  • 通过RTS信号进行RS-485驱动器方向控制
  • RS-485驱动器方向控制反转
  • 最多八个可编程I/O引脚(仅SC16IS750和SC16IS760)
  • SC16IS750支持速度高达115.2 kbit/s的IrDA SIR
  • SC16IS760支持速度高达1.152 kbit/s的IrDA SIR¹
  • 线中止的产生和检测
  • 内部环回模式
  • 工业和商用温度范围
  • 接收和发送FIFO电平
  • 可编程特殊字符检测
  • 完全可编程的字符格式
    • 5位、6位、7位或8位字符
    • 偶、奇或无奇偶校验
    • 1、1¹V2或2个停止位

数据连接

  • 单通道全双工UART
  • 可选I²C总线或SPI接口
  • 64字节FIFO(发送器和接收器)
  • 内置IrDA编码器和解码器接口

电源管理

  • 3.3 V时的睡眠电流低于30 µA
  • 3.3 V或2.5 V操作

支持

  • 自动RS-485支持(自动从地址检测)
  • 软件复位

封装

  • HVQFN24
  • TSSOP24 (SC16IS750/760)
  • TSSOP16 (SC16IS740)

购买选项

OM6270-Image

点击展开

OM6270
正常供应

SC16IS750 SPI/I²C to UART Bridge Demo Board.

$165.00 USD
现货 :5
从分销商处购买

文档

快速参考恩智浦 文档类别

2 文件

紧凑列表

支持

您需要什么帮助?