用于GPS、GLONASS、Galileo和Compass的SiGe:C LNA MMIC

  • 本页面包含有关样品阶段产品的信息。此处的规格和信息如有更改,恕不另行通知。如需了解其他信息,请联系支持人员或您的销售代表。

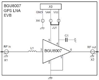
查看产品图片

产品详情

特征

  • 覆盖从1559 MHz到1610 MHz的整个GNSS L1频段
  • 噪声系数(NF) = 0.75 dB
  • 存在强干扰信号时,出色的< 1 dB的低噪声系数
  • 增益:19 dB
  • 高输入1 dB压缩点Pi(1dB):−11 dBm
  • 高频段外IP3i:4 dBm
  • 电源电压:1.5 V至2.5 V
  • 省电模式下的电流损耗:小于1 uA
  • 4.5 mA低电源电流时性能最佳
  • 可实现简易设计的集成式温度稳定型偏置
  • 只需一个输入匹配电感和一个电源去耦电容
  • 输入输出具有隔直功能
  • 对所有引脚提供ESD防护(HBM > 2 kV)
  • 集成输出匹配
  • 小型6针无引脚封装尺寸1 mm × 1.45 mm × 0.5 mm
  • 110 GHz转换频率 - SiGe:C技术

目标应用

  • LNA,用于智能手机中的GPS、GLONASS、Galileo和Compass (北斗)
  • 功能型手机、平板电脑、个人导航设备
  • 数码相机、数码摄像机、RF前端模块
  • 完整GPS芯片组模块和防盗(笔记本电脑、ATM)

文档

快速参考恩智浦 文档类别

4 文件

紧凑列表

封装信息 (1)
应用笔记 (1)
数据手册 (1)
用户指南 (1)

设计资源

设计文件

快速参考恩智浦 设计文件类型.

1 设计文件

支持

您需要什么帮助?