Javascript must be enabled to view full functionality of our site.
NXP
产品
应用
设计中心
技术支持
公司
在线购买
语言
English
中文
日本語
한국어
订单
中文
面向BGU8062的演示板,带旁路的LNA
OM17003
接收通知
滚动图片以放大
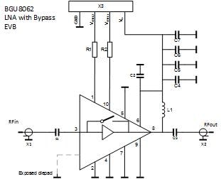
Functional diagram
BGU8062评估板能够简化BGU8062的射频评估。该评估板支持测试器件射频性能,无需其他的支持电路。BGU8062评估板采用35 mm x 20 mm x 1 mm 3层PCB来制造。0.2 mm (8 mill)顶层使用ROGERS R4003C以获得最佳射频性能。该电路板完整安装BGU8062,包含外部组件。该电路板配有两个SMA接头,用于连接射频测试设备的输入和输出。
产品详情
特点
应用
特性
主要特性
涵盖1500 MHz至2700 MHz
低噪声性能:NF = 1.5 dB
高线性度性能:IP3O = 36 dBm
无条件稳定高达20 GHz
高输入回波损耗:> 12 dB
高输出回波损耗:> 15 dB
小型10焊端无引脚封装3 mm x 3 mm x 0.85 mm
所有焊端提供ESD保护
湿度灵敏度等级1
面向TDD系统的快速关机
电源管理
+5 V单电源
应用
工业控制
" 3 stage LNA in RX path of wireless infrastructure applications "
支持
您需要什么帮助?
Narrow your search
搜索
推荐链接
在恩智浦技术社区提问