BGU8010 GNSS LNA评估板

滚动图片以放大

产品详情

特征

电源管理

  • Covers full GNSS L1 bands (GPS, COMPASS, Galileo, and GLONASS)
  • 电源电压范围:1.5 V至3.1 V
  • 4.4 mA低电源电流时性能最佳
  • 关闭模式耗电电流< 1 µA
  • 对所有引脚提供ESD防护(HBM > 2 kV)
  • 集成输出匹配
  • 解耦了输入和输出DC
  • Requires only one input matching inductor, one supply decoupling capacitor, and in- and output EPCOS B8313 SAW filters

尺寸

  • 1.1 mm x 0.9 mm x 0.5 mm; 0.4 mm间距:SOT1230
  • 180 GHz转接频率 - SiGe:C技术
  • 可实现简易设计的集成式温度稳定型偏置
  • 噪声系数 (NF) = 1.5 dB
  • 增益 = 14.9 dB
  • 高输入1 dB压缩点:-5 dBm

购买选项

OM7842-Image

点击展开

OM7842
正常供应

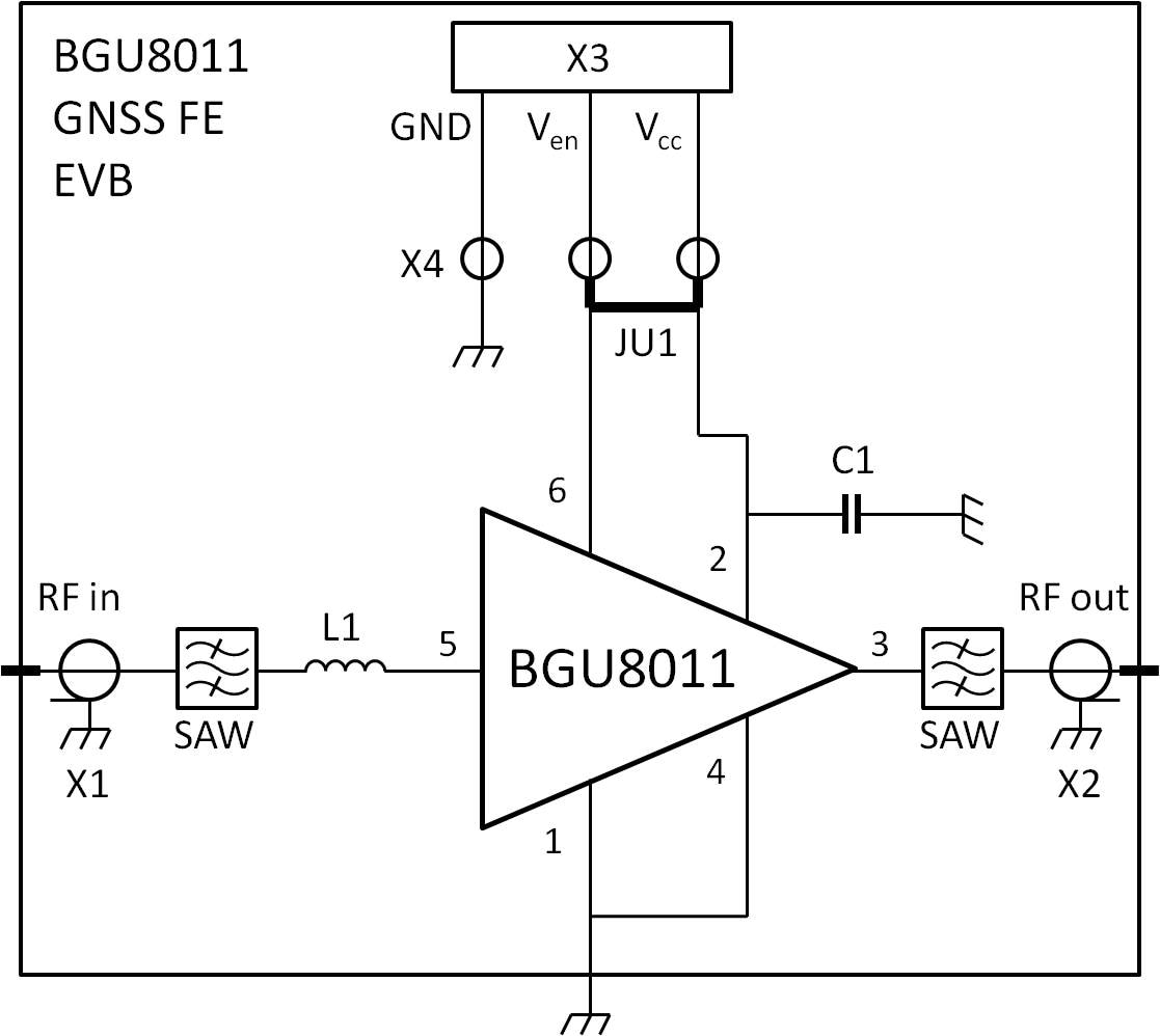
BGU8011 GNSS FE evaluation board.

文档

快速参考恩智浦 文档类别

1 文件

紧凑列表

设计资源

设计文件

快速参考恩智浦 设计文件类型.

1 设计文件

支持

您需要什么帮助?