面向BGU6104低噪放大器、ISM和LTE频段的演示板

滚动图片以放大

产品详情

支持的器件

射频

旧型号射频低中功率放大器

特征

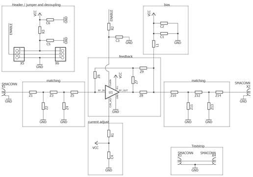
  • Evaluation of electrical DC and RF performance like IDC, S-Parameters, Distortion levels, P-1 dB, Noise Figure PCB layout evaluation

主要特性

  • 器件模型和S参数

支持

您需要什么帮助?