6路输出开关, SPI, 并行输入控制

滚动图片以放大

产品详情

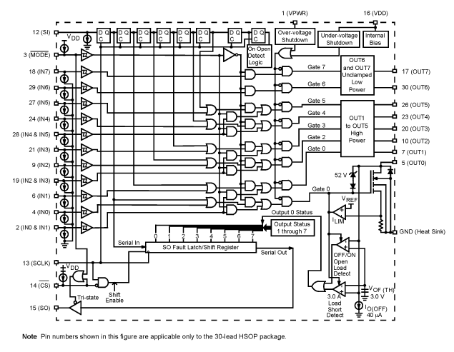
框图

6路输出开关, SPI, 并行输入控制

NXP<sup>&#174;</sup> MC33882 Internal Block Diagram

特性

基本信息

  • 开关电感负载对输出有限制
  • 极低的工作偏置电流(<2.0mA)
  • CMOS输入逻辑,兼容5.0V逻辑电平
  • 稳定的负载突降承受能力(OUT0 – OUT5上60V瞬态VPWR)
  • 多个器件可进行菊花链操作
  • 开关输出可并联,适用于较高电流
  • 25°C、13V VPWR时,每个输出的导通电阻为0.4Ω
  • 确保SPI操作达2.0MHz
  • 负载电流(IL)1 A(典型值)
  • 6个通道
  • 负载电源电压最小值0V,最大值52V
  • SPI接口和输入控制器

购买/参数










































































































文档

快速参考恩智浦 文档类别

4 文件

紧凑列表

设计文件

硬件

快速参考恩智浦 板类型.

工程服务

4 工程服务

要查找支持该产品的其他合作伙伴产品,请访问我们的 合作伙伴市场.