紧凑列表
The MC145423EVK has been discontinued. Suggested replacement: none.
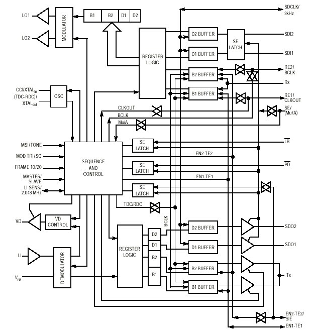
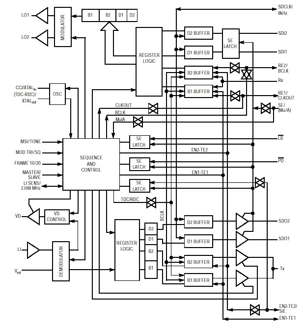
This module was designed to simplify the evaluation and design-in of the MC145423. The MC145423 combines the functionality of the UDLT-1 and UDLT-2 - both leader and follower. By configuring this device via the three control pins, FRAME 10/20, MOD TRI/SQ, and LEADER/FOLLOWER, the following device functions are produced:
In addition, these new features have been added:
The MC145423EVK module provides a working UDLT communications link that interfaces to synchronous transmit and receive clock configurations. This board has been designed to provide the user with a quick and easy way to evaluate all of the MC145423 functions and features. In addition to making a quantitative evaluation, the handsets (two included) allow the user to also make qualitative evaluations of this complete voice/data system. The use of this module and its features will help to speed up prototype development, reducing time to market.
In addition to supplying all the clocks required to operate the MC145423 in all of its modes, this board also generates all the clocks necessary to test the device using an HP1645A data error analyzer or similar piece of test equipment.
This board provides easy access to clocks and other signals in two ways:
The MC145423 is a replacement device for the following ICs:
In the UDLT-1 mode, this device, when operated at +5 V VDD, supports a full duplex 64-kbps data channel and two 8 kbps signaling channels over one 26 AWG and larger wire pair up to 2 km. In the UDLT-2 mode, this device, when operated at +5 V VDD, is capable of full duplex communication consisting of two 64 kbps data channels, and two 16 kbps signaling channels over one 26 AWG and larger wire pair up to 1 km. This signaling format, known as 2B+2D, is compatible with ISDN.
Archived content is no longer updated and is made available for historical reference only.
快速参考恩智浦 文档类别
1 文件
紧凑列表
安全文件正在加载,请稍等