包装信息 (1)
封装信息 (1)
应用笔记 (2)
支持信息 (1)
-
Reflow Soldering Profile[REFLOW_SOLDERING_PROFILE]
数据手册 (1)
-
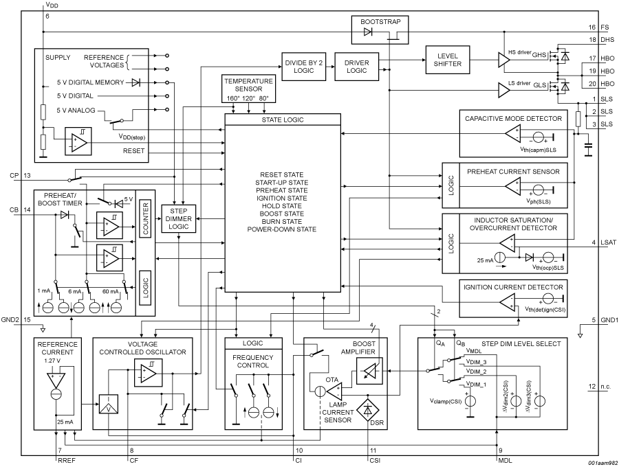
600 V and 350 V power IC for step dimmable CFLs[UBA20261_UBA20262]
|
|
|
|
|
|
|
|---|---|---|---|---|---|
|
|
|
|
|
|
|
|
|
|
|
|
|
|
|
|
|
|
|
|
|
|
|
|
|
|
|
|
|
|
|
|
|
|
|
|
|
|
|
|
|
|
|
|
|
|
|
|
|
|
|
|
|
|
|
|
|
|
|
|
|
|
|
|
|
|
|
|
|
|
快速参考恩智浦 文档类别
6 文件
紧凑列表
安全文件正在加载,请稍等