滚动图片以放大
归档的内容不再更新,仅作为历史记录参考。
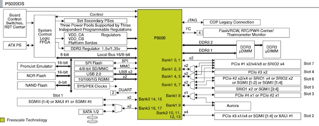
P5020DS是灵活的开发系统,支持恩智浦双核32b/64b模式P5020器件。该电路板提供2 GHz P5020处理器,具有丰富的I/O组合,主要用于网络、电信和工业应用领域的P5020开发,P5020以其高性能、高能效内核和高集成度成为这些应用领域的理想控制平面处理器。
快速参考恩智浦 软件类型.
2 软件文件
注意: 推荐在电脑端下载软件,体验更佳。
安全文件正在加载,请稍等