封装信息 (1)
支持信息 (1)
-
Footprint for reflow soldering[SO-SOJ-REFLOW]
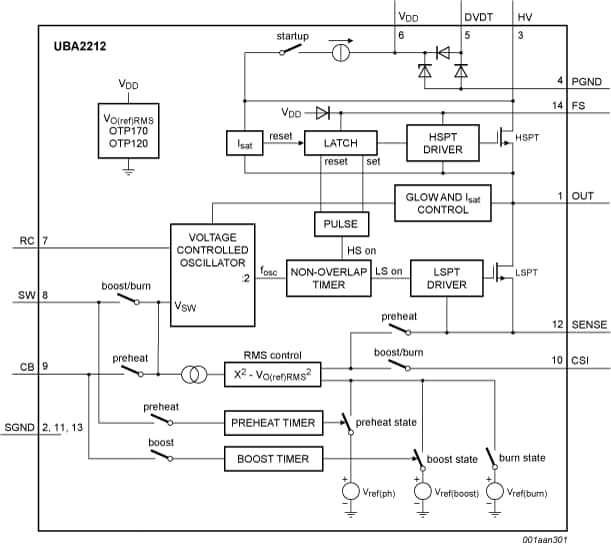
UBA2212系列集成电路是一系列高压单片IC,用于驱动半桥配置中的紧凑型荧光灯(CFL)。此系列提供了简便的照明负载集成方法,适用于各种荧光灯管和市电电压。
|
|
|
|
|
|
|
|---|---|---|---|---|---|
|
|
|
|
|
|
|
|
|
|
|
|
|
|
|
|
|
|
|
|
|
|
|
|
|
|
|
|
|
|
|
|
|
|
|
|
|
|
|
|
|
|
|
|
|
|
|
|
|
|
|
|
|
|
|
|
|
|
|
|
|
|
|
|
|
|
|
|
|
|
快速参考恩智浦 文档类别
4 文件
紧凑列表
安全文件正在加载,请稍等