设计文件
收到完整的详细信息。 请参阅产品足迹及更多信息 电子CAD文件.
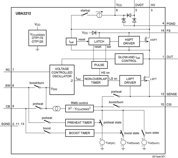
UBA2212系列集成电路是一系列高压单片IC,用于驱动半桥配置中的紧凑型荧光灯(CFL)。此系列提供了简便的照明负载集成方法,适用于各种荧光灯管和市电电压。
|
|
|
|
|
|
|
|---|---|---|---|---|---|
|
|
|
|
|
|
|
|
|
|
|
|
|
|
|
|
|
|
|
|
|
|
|
|
|
|
|
|
|
|
|
|
|
|
|
|
|
|
|
|
|
|
|
|
|
|
|
|
|
|
|
|
|
|
|
|
|
|
|
|
|
|
|
|
|
|
|
|
|
|