设计文件
收到完整的详细信息。 请参阅产品足迹及更多信息 电子CAD文件.
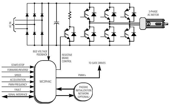
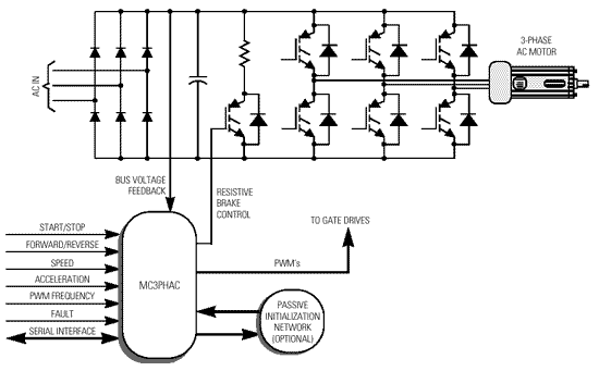
The MC3PHAC is a high-performance monolithic intelligent motor controller designed specifically to meet the requirements for cost-effective, variable-speed, three-phase AC motor control systems. The device is adaptable and configurable based on its environment. It contains all of the active functions required to implement the control portion of an open loop, three-phase AC motor drive.
One of the aspects of this device is that although it is adaptable and configurable based on its environment, it does not require any software development. This makes the MC3PHAC a good fit for customer applications requiring AC motor control but with limited or no software resources available.
快速参考恩智浦 文档类别
2 文件
紧凑列表
安全文件正在加载,请稍等