高性能混频器FM IF系统,具有高速RSSI

  • 本页面包含有关样品阶段产品的信息。此处的规格和信息如有更改,恕不另行通知。如需了解其他信息,请联系支持人员或您的销售代表。

滚动图片以放大

产品详情

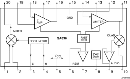
框图

SR00492 Block Diagram

特征

  • 宽带数据输出(最小值:600 kHz)
  • 快速RSSI上升和下降时间
  • 低功耗:7.5 mA典型值(5 V时)
  • 混频器输入达500 MHz以上
  • 240 MHz时12 dB的混频器噪声系数
  • XTAL振荡器有效频率达150 MHz(LC振荡器至1 GHz本地振荡器可以进行注入)
  • 92 dB的IF放大器/限幅器增益
  • 25 MHz的限幅器小信号带宽
  • 温度补偿对数RSSI,具有超过90 dB的动态范围
  • RSSI输出内部运算放大器
  • 内部运算放大器,具有轨到轨输出
  • 外部元器件数少;适合晶体/陶瓷/ LC滤波器
  • 出色的灵敏度:在1 kHz音频信号(RF为240 MHz、IF为10.7 kHz)时,信噪和失真比(SINAD)为12 dB,对于50 Ω匹配网络为0.54 μV
  • 可耐受ESD
  • 10.7 MHz滤波器匹配(330 Ω)
  • 掉电模式(ICC = 200 µA)

Target Applications

  • DECT(欧洲数字无绳电话)
  • 数字无绳电话
  • 数字蜂窝电话
  • 便携式高性能通信接收器
  • 单次转换VHF/UHF接收器
  • FSK和ASK数据接收器
  • 无线LAN

购买/参数










































































































文档

快速参考恩智浦 文档类别

4 文件

紧凑列表

包装信息 (1)
封装信息 (1)
支持信息 (1)
数据手册 (1)

设计文件

支持

您需要什么帮助?