封装信息 (1)
应用笔记 (1)
-
AN10798[AN10798]
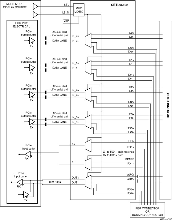
CBTL06122是一款六通道(“十六进制”)多路复用器,适用于DisplayPort和PCI Express Gen2应用。使用高带宽通门技术提供四条能够切换或多路复用(双向且AC耦合的)PCI Express Gen2或DisplayPort信号的差分通道。另外,还提供总共6条用于热插拔检测信号以及AUX或DDC (直接显示控制)信号切换/多路复用的通道。
CBTL06122设计用于高性能PCI Express Gen2和DisplayPort应用。器件提供两种不同的引脚线(A和B,可按独立部件编号订购)以适合不同的主板布局要求。
CBTL06122典型应用在图形和I/O系统控制器芯片采用可配置进行PCI Express或DisplayPort操作的I/O引脚的主板、扩展底座或附加卡上。在此类应用中,可使用十六进制显示MUX以使用其1 : 2多路复用器技术将信号从控制器芯片发送至物理DisplayPort接口或PCI Express接口。控制器芯片通过将选择信号(可闭锁)设置为HIGH或LOW来选择要使用的路径。
或者,还可配合HDMI/DVI电平转换器器件(PTN3300A、PTN3300B或PTN3301)使用十六进制MUX器件以便连接DisplayPort及HDMI/DVI。
|
|
|
|
|
|
|
|---|---|---|---|---|---|
|
|
|
|
|
|
|
|
|
|
|
|
|
|
|
|
|
|
|
|
|
|
|
|
|
|
|
|
|
|
|
|
|
|
|
|
|
|
|
|
|
|
|
|
|
|
|
|
|
|
|
|
|
|
|
|
|
|
|
|
|
|
|
|
|
|
|
|
|
|
快速参考恩智浦 文档类别
3 文件
紧凑列表
安全文件正在加载,请稍等