包装信息 (1)
封装信息 (1)
数据手册 (1)
-
Half-bridge driver IC[UBA2080_UBA2081]
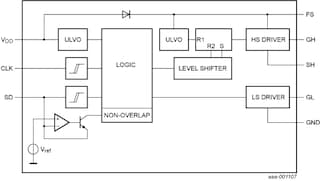
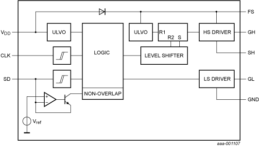
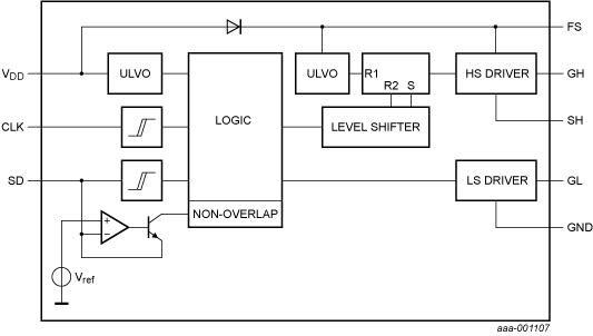
UBA2081是一款高电压单片集成电路,使用无闩锁绝缘硅(SOI)工艺制造。该电路用于驱动半桥配置的MOSFET。
|
|
|
|
|
|
|
|---|---|---|---|---|---|
|
|
|
|
|
|
|
|
|
|
|
|
|
|
|
|
|
|
|
|
|
|
|
|
|
|
|
|
|
|
|
|
|
|
|
|
|
|
|
|
|
|
|
|
|
|
|
|
|
|
|
|
|
|
|
|
|
|
|
|
|
|
|
|
|
|
|
|
|
|
快速参考恩智浦 文档类别
3 文件
紧凑列表
安全文件正在加载,请稍等