封装信息 (1)
数据手册 (1)
-
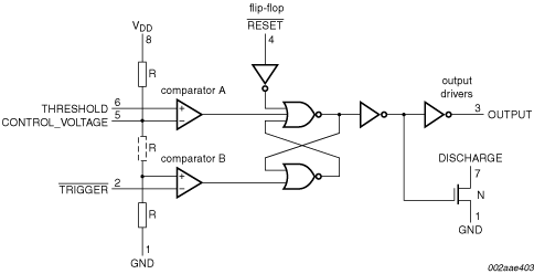
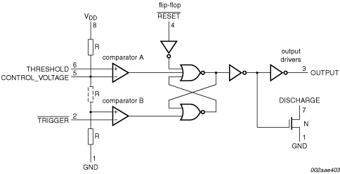
General purpose CMOS timer[ICM7555]
The ICM7555 is a CMOS timer providing significantly improved performance over the standard NE/SE555 timer, while at the same time being a direct replacement for those devices in most applications. Improved parameters include low supply current, wide operating supply voltage range, low THRESHOLD, TRIGGER, and RESET currents, no crowbarring of the supply current during output transitions, higher frequency performance and no requirement to decouple CONTROL_VOLTAGE for stable operation.
The ICM7555 is a stable controller capable of producing accurate time delays or frequencies.
In the one-shot mode, the pulse width of each circuit is precisely controlled by one external resistor and capacitor. For astable operation as an oscillator, the free-running frequency and the duty cycle are both accurately controlled by two external resistors and one capacitor. Unlike the NE/SE555 device, the CONTROL_VOLTAGE terminal need not be decoupled with a capacitor. The TRIGGER and RESET inputs are active LOW. The output inverter can source or sink currents large enough to drive TTL loads or provide minimal offsets to drive CMOS loads.
|
|
|
|
|
|
|
|---|---|---|---|---|---|
|
|
|
|
|
|
|
|
|
|
|
|
|
|
|
|
|
|
|
|
|
|
|
|
|
|
|
|
|
|
|
|
|
|
|
|
|
|
|
|
|
|
|
|
|
|
|
|
|
|
|
|
|
|
|
|
|
|
|
|
|
|
|
|
|
|
|
|
|
|