Gen1显示2 : 1多路复用器

滚动图片以放大

产品详情

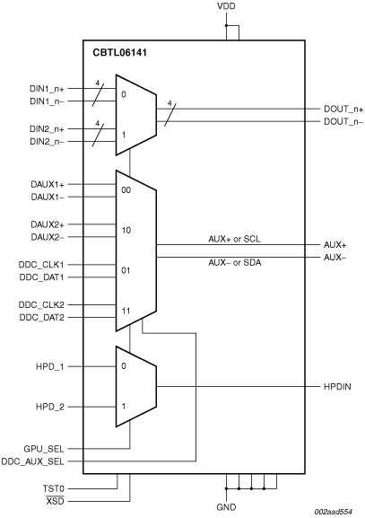
框图

Block diagram: CBTL06141EE

特征

  • DisplayPort (v1.1 - 2.7 Gbit/s)或PCI Express (v1.1 - 2.5 Gbit/s)信号的1 : 2交换或2 : 1 多路复用
    • 4个高速差分通道,带DisplayPort或PCI Express信号的2 : 1多路复用/交换
    • 1个通道,带AUX差分信号或DDC单端时钟和数据信号的4 : 1多路复用/交换
    • 1个通道,带单端HPD信号的2 : 1多路复用/交换
  • 高带宽模拟通门技术
  • 非常低的对内差分偏移(< 5 ps)
  • 非常低的对间偏移(< 180 ps)
  • 切换/多路复用器位置选择CMOS输入
  • 关断模式CMOS输入
  • 关断模式在将功耗降至最低的同时关闭所有通道
  • DDC和AUX端口容压通过2.2kΩ电阻上拉至+5 V
    • 支持HDMI/ DVI不正确加密狗连接
  • 单个3.3 V电源
  • 非常低的工作电流(典型值0.2 mA)
  • 非常低的关断电流(< 10 μA)
  • ESD 8 kV HBM、1 kV CDM
  • 控制引脚的ESD 2 kV HBM、500 V CDM
  • 采用5 mm × 5 mm、0.5 mm引脚间距TFBGA48封装

Target Applications

  • 需要DisplayPort和PCI Express切换/多路复用的主板应用
  • 扩展坞
  • 笔记本电脑
  • 需要将PCI Express或DisplayPort I/O引脚灵活配置到板连接器的芯片组

购买/参数










































































































文档

快速参考恩智浦 文档类别

5 文件

紧凑列表

包装信息 (1)
封装信息 (1)
应用笔记 (1)
手册 (1)
数据手册 (1)

设计文件

支持

您需要什么帮助?