封装信息 (1)
支持信息 (2)
-
Footprint for reflow soldering[SSOP-TSSOP-VSO-REFLOW]
-
Footprint for wave soldering[SSOP-TSSOP-VSO-WAVE]
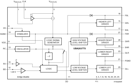
UBA2037TS是一款高压单片集成电路(IC),采用高压绝缘硅(HVSOI)工艺制造。该电路用于驱动全桥配置的MOSFET。此外,它还具有禁用、内部可调节振荡器和外部时钟输入功能,以及用于驱动电桥的高压电平转换器。为了保证精确的50%占空比,振荡器信号可先经过一个分频器然后馈送到输出驱动器。UBA2037TS特别适用于投影仪和通用照明应用的高强度放电(HID)灯驱动器。
快速参考恩智浦 文档类别
4 文件
紧凑列表
安全文件正在加载,请稍等