用于HID汽车照明的全桥控制器IC

  • 本页面包含有关样品阶段产品的信息。此处的规格和信息如有更改,恕不另行通知。如需了解其他信息,请联系支持人员或您的销售代表。

查看产品图片

产品详情

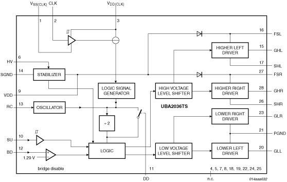
框图

UBA2036TS

Features

Key Features

  • 全桥驱动器电路
  • 预定义启动时的电桥位置
  • 可调整非交叠
  • 集成式自举二极管
  • 464 V集成式高压电平转换功能可驱动HID灯至GND以下
  • 550 V串联稳压器输入,用作内部电源
  • 无闩锁且鲁棒
  • 550 V最大电桥电压
  • 精密的电桥禁用功能
  • 启动延迟输入
  • 可调振荡器频率
  • 可选分频器

Target Applications

  • 用于车头照明中HID灯的换向器控制器
  • 用于通用照明应用中HID灯的换向器控制器
  • 用于投影仪应用中HID灯的换向器控制器
  • 用于全桥配置中各种负载的驱动器(通过外部MOSFET)

文档

快速参考恩智浦 文档类别

3 文件

紧凑列表

设计文件

支持

您需要什么帮助?