包装信息 (1)
封装信息 (1)
应用笔记 (1)
-
AN10798[AN10798]
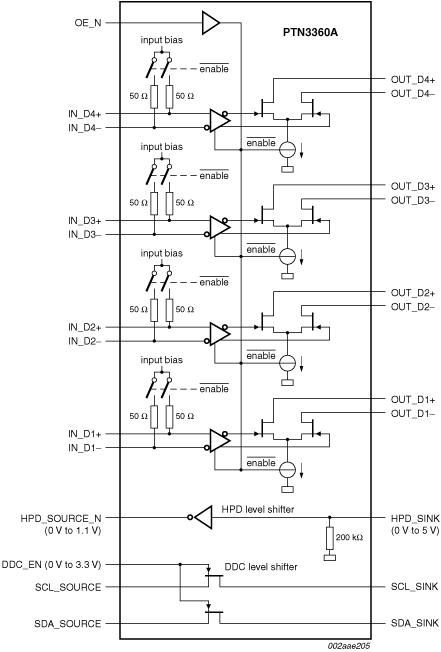
PTN3360A是一款高速电平位移器,将四通道低摆幅AC耦合差分输入信号转换成DVI v1.0和HDMI v1.3a兼容的开漏电流导引差分输出信号,每通道最快2.5 Gbit/s。其中每通道均提供电平位移差分缓冲器,以从源侧的低摆幅AC耦合差分信号转换成目的侧终端电阻为50 Ω电压为3.3 V的TMSD型DC耦合差分电流模式信号。另外,PTN3360A为将HPD信号从目的侧5 V转换成源侧1.1 V提供单端主动缓冲器,并为3.3 V源侧和5 V目的侧之间的DDC通道(由时钟和数据线路组成)提供一个电平位移通道。采用使用通门技术的DDC通道,提供时钟和数据线路的电平位移和隔离(源侧和目的侧之间的隔离)。
接至PTN3360A的低摆幅AC耦合差分输入信号通常来自带有多模式I/O(支持多种显示标准,例如,DisplayPort、HDMI和DVI)的显示源。当输入差分信号配置为携带DVI或HDMI编码数据时,就不符合DVI v1.0或HDMI v1.3a规格的电气要求。通过使用PTN3360A,芯片组供应商能够在多模式显示源器件上采用此类可配置I/O,允许在保持低芯片组I/O引脚数的同时支持多种显示标准。
PTN3360A主高速差分通路具备符合DisplayPort标准v1.1和/或PCI Express标准v1.1电气规格的低摆幅自偏置差分输入,以及符合DVI v1.0和HDMI v1.3a电气规格的开漏电流导引差分输出。I2C总线通道对3.3 V(源端)和5.0 V(目的端)之间的DDC信号进行电平变换。
PTN3360A是一款功能齐全的HDMI及DVI电平位移器。其功能等同于PTN3300A,但提供更高的的速度性能和更高的ESD健壮性。PTN3360A还等同于PTN3360B,此外PTN3360A提供HPD通道的反相电平位移。
PTN3360A通过单个3.3 V电源供电,耗电量小(典型为120 mW)且提供48端子HVQFN48封装。

快速参考恩智浦 文档类别
4 文件
紧凑列表
安全文件正在加载,请稍等