封装信息 (1)
应用笔记 (1)
-
AN10798[AN10798]
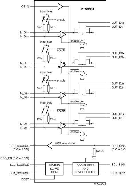
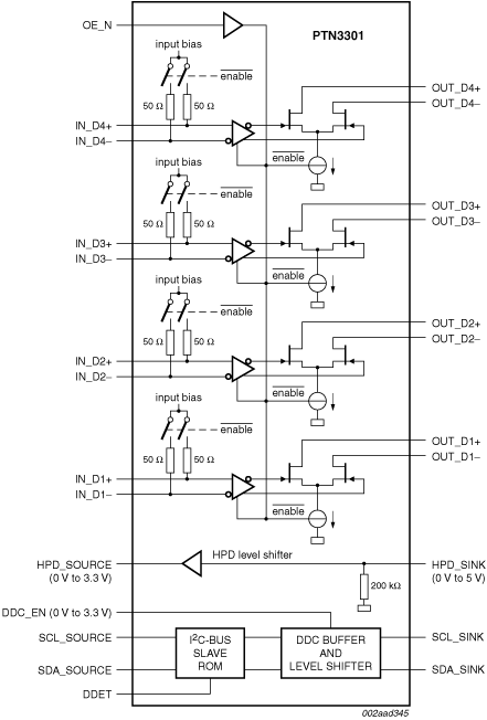
为了支持来自英特尔、AMD/ATI、英伟达等新型高速主板图形芯片组,这些器件提供从PCIe和DisplayPort信号到电流模式输出(用以驱动DVI和HDMI显示器)的电平转换。
|
|
|
|
|
|
|
|---|---|---|---|---|---|
|
|
|
|
|
|
|
|
|
|
|
|
|
|
|
|
|
|
|
|
|
|
|
|
|
|
|
|
|
|
|
|
|
|
|
|
|
|
|
|
|
|
|
|
|
|
|
|
|
|
|
|
|
|
|
|
|
|
|
|
|
|
|
|
|
|
|
|
|
|
快速参考恩智浦 文档类别
2 文件
紧凑列表
安全文件正在加载,请稍等