封装信息 (1)
应用笔记 (2)
数据手册 (1)
用户指南 (2)
-
PCA9632 demonstration board OM13269[UM10528]
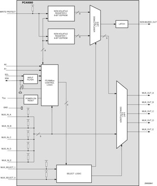
PCA9560是一款20引脚CMOS器件,由两个6位非易失性EEPROM寄存器、5个硬件引脚输入和带有一个闭锁EEPROM位的5位多路复用输出组成。用于无DIP开关或无跳线系统配置并支持移动和桌面VID配置,其中3个预设值(2组内部非易失性寄存器和1组外部硬件引脚)为性能、深睡眠或更深睡眠模式中的工作设置处理器电压。由于通过I²C/SMBus可轻松更改设置而无需关闭设备电源以打开机柜,所以当PCA9560用于替换DIP开关或跳线时其在服务器和电信/网络应用中也很有用。非易失性存储器会保留电源关闭前所选的最新设置。
当用于CPU VID(电压识别代码)配置时,PCA9560一般放在CPU和电压调节器模块(VRM)之间。如果想要增加CPU电压,则其用于旁通CPU定义的VID值并向VRM提供一组不同的VID值。伴随CPU频率增加的CPU电压增加会带来最大7.5pct的性能提升。更低的CPU电压会降低功耗。在此应用中PCA9560相比旧款PCA9559器件的主要优势是其包含两个内部非易失性EEPROM寄存器而非仅仅一个,允许进行三个独立设置(性能操作、深睡眠模式和更深睡眠模式)而非仅仅两个(性能操作和深睡眠模式)。PCA9560的引脚兼容并可直接取代PCA9559,无需任何软件修改。
PCA9560具有2个地址引脚,允许在同一I²C总线或SMBus上安置最多4个器件。
|
|
|
|
|
|
|
|---|---|---|---|---|---|
|
|
|
|
|
|
|
|
|
|
|
|
|
|
|
|
|
|
|
|
|
|
|
|
|
|
|
|
|
|
|
|
|
|
|
|
|
|
|
|
|
|
|
|
|
|
|
|
|
|
|
|
|
|
|
|
|
|
|
|
|
|
|
|
|
|
|
|
|
|
快速参考恩智浦 文档类别
6 文件
紧凑列表
安全文件正在加载,请稍等