紧凑列表
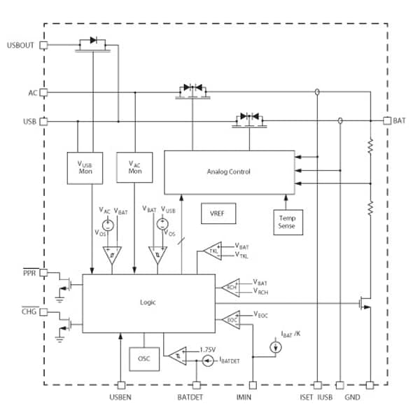
MC34676 是双28 V输入电压和全集成的单芯锂离子电池充电器,适用于智能手持应用。其中一个输入适用于USB 接口充电,另外一个输入适用于AC/DC适配器电源。该充电器有两个28 V 电源器件, 不需要选择任何外部电源或者输入过电压保护线路 。每一个电源器件都独立控制输入的充电电流,像独立的充电器一样运行。两个充电器中每次只有一个运行。
分别加一个外部电阻, AC充电器电流和USB 充电器电流可设置为1.2 A 和 400 mA。两个外部电阻 上的电压也分别用来监控通过每个充电器的实际充电电流。两个充电器的EOC电流是相同的,都可通过外部电阻进行设置。
4.85 V 稳压器可用来直接为子系统供电。在-40 °C至85 °C温度范围内,恒流精确度为5%,恒压精确度为0.7%。在IC的内部温度升高至预设的阈值时,充电电流的折返热保护功能会限制充电电流。
快速参考恩智浦 文档类别
1 文件
紧凑列表
安全文件正在加载,请稍等