封装信息 (1)
应用笔记 (4)
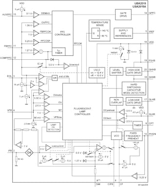
数据手册 (1)
用户指南 (6)
-
UBA2015P reference design 230 V (AC)[UM10466]
-
UBA2015P reference design 120 V (AC)[UM10486]
|
|
|
|
|
|
|
|---|---|---|---|---|---|
|
|
|
|
|
|
|
|
|
|
|
|
|
|
|
|
|
|
|
|
|
|
|
|
|
|
|
|
|
|
|
|
|
|
|
|
|
|
|
|
|
|
|
|
|
|
|
|
|
|
|
|
|
|
|
|
|
|
|
|
|
|
|
|
|
|
|
|
|
|
快速参考恩智浦 文档类别
1-10 / 12 文件
紧凑列表
安全文件正在加载,请稍等