包装信息 (1)
封装信息 (1)
应用笔记 (2)
支持信息 (1)
-
Reflow Soldering Profile[REFLOW_SOLDERING_PROFILE]
数据手册 (1)
-
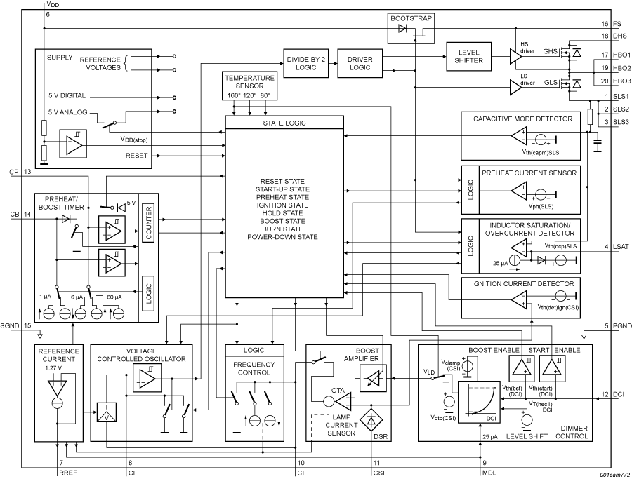
350 V and 600 V Power ICs for dimmable compact fluorescent lamps[UBA20271_UBA20272]亮点
|
|
|
|
|
|
|
|---|---|---|---|---|---|
|
|
|
|
|
|
|
|
|
|
|
|
|
|
|
|
|
|
|
|
|
|
|
|
|
|
|
|
|
|
|
|
|
|
|
|
|
|
|
|
|
|
|
|
|
|
|
|
|
|
|
|
|
|
|
|
|
|
|
|
|
|
|
|
|
|
|
|
|
|
快速参考恩智浦 文档类别
6 文件
紧凑列表
安全文件正在加载,请稍等