OM7890
正常供应
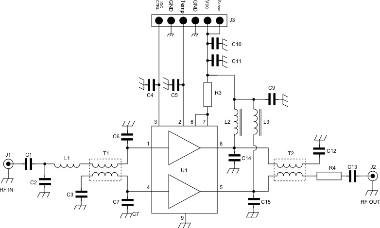
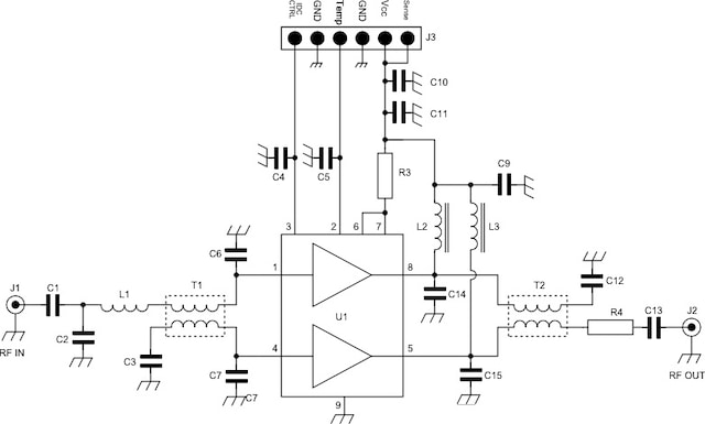
Demoboard for BGA3023, 1.2 GHz 20 dB gain wideband amplifier application.



