OM7889
正常供应
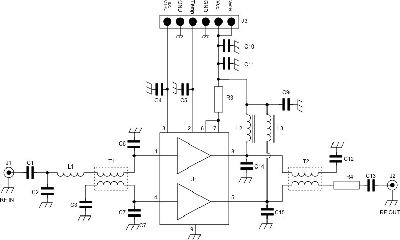
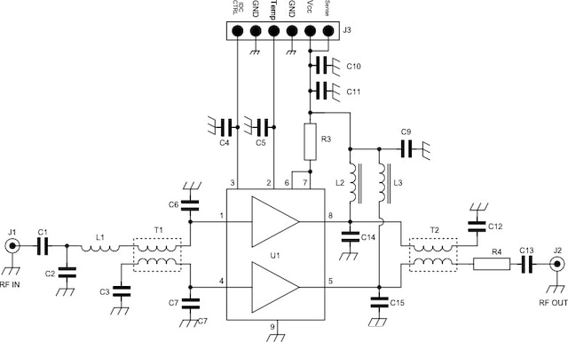
Demoboard for BGA3022, 1.2 GHz 18 dB gain wideband amplifier application.



