Javascript must be enabled to view full functionality of our site.
NXP
产品
应用
设计中心
技术支持
公司
在线购买
语言
English
中文
日本語
한국어
订单
中文
产品
处理器和微控制器
模拟和混合信号
音频
电池管理
接口
电源驱动器
电源管理
车载广播
射频
RFID/NFC
信息安全与身份验证
传感器
无线连接
产品查找工具
恩智浦产品信息
设计建议工具
已停产
OM7888
BGA3021演示板,1.2 GHz 16 dB增益宽带放大器应用
OM7888
存档
接收通知
本页面包含有关样品阶段产品的信息。此处的规格和信息如有更改,恕不另行通知。如需了解其他信息,请联系支持人员或您的销售代表。
滚动图片以放大
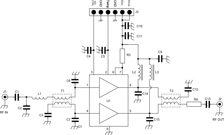
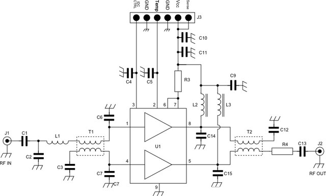
OM7888 functional diagram
Archived content is no longer updated and is made available for historical reference only.
BGA3021中等功率有线电视信号放大器套装简化了BGA3021宽带放大器的评估。它包含一个射频电路板,匹配至75 Ohm,40 MHz到1200 MHz,带F接头。电路板在5 V和8 V之间工作。
产品详情
特点
应用
特征
Evaluation of electrical DC and RF performance like I
DC
, S-Parameters, Distortion levels, P-1 dB, Noise Figure
PCB布局评估
器件模型和S参数
应用
工业控制
CATV distribution systems: FTTH, Home gateways Optical mini nodes
有线电视信号正向放大器(40 MHz - 1200 MHz):FTTx、中继放大器、线路扩展器
支持
您需要什么帮助?
Narrow your search
搜索
推荐链接
在恩智浦技术社区提问