设计文件
收到完整的详细信息。 请参阅产品足迹及更多信息 电子CAD文件.
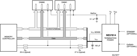
NE57814可为DDR存储器总线终端提供电源。相比之前的开关解决方案,它极大地减少了器件数、电路板空间以及总系统成本。NE57814集成独立的电源针脚(VD),可进一步降低功耗;另外还为能效敏感的便携式应用提供低功耗待机模式。
DDR终端稳压器提供非常精确的基准电压(RefOut)和终端电压(VTT),其在宽范围内的电流电源要求仅为RAM电源电压的一半。
|
|
|
|
|
|
|
|---|---|---|---|---|---|
|
|
|
|
|
|
|
|
|
|
|
|
|
|
|
|
|
|
|
|
|
|
|
|
|
|
|
|
|
|
|
|
|
|
|
|
|
|
|
|
|
|
|
|
|
|
|
|
|
|
|
|
|
|
|
|
|
|
|
|
|
|
|
|
|
|
|
|
|
|
快速参考恩智浦 文档类别
2 文件
紧凑列表
安全文件正在加载,请稍等