封装信息 (1)
支持信息 (1)
-
Footprint for reflow soldering[SSOP-TSSOP-VSO-REFLOW]
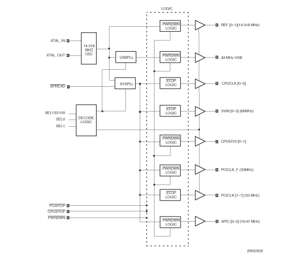
The PCK2010RA is a clock generator (frequency synthesizer) chip for a Pentium II and other similar processors.
The PCK2010RA has four CPU clock outputs at 2.5 V, two CPUDIV2 clock outputs running at ½ CPU clock frequency (66 MHz or 50 MHz depending on the state of SEL133/100) and four 3V66 clocks running at 66MHz. There are eight PCI clock outputs running at 33 MHz. One of the PCI clock outputs is free-running. Additionally, the part has three 2.5 V IOAPIC clock outputs at 16.67 MHz and two 3.3 V reference clock outputs at 14.318 MHz. All clock outputs meet Intel?s drive strength, rise/fall time, jitter, accuracy, and skew requirements.
The part possesses dedicated power-down, CPUSTOP, and PCISTOP input pins for power management control. These inputs are synchronized on-chip and ensure glitch-free output transitions. When the CPUSTOP input is asserted, the CPU clock outputs and 3V66 clock outputs are driven LOW. When the PCISTOP input is asserted, the PCI clock outputs are driven LOW.
Finally, when the PWRDWN input pin is asserted, the internal reference oscillator and PLLs are shut down, and all outputs are driven LOW.
|
|
|
|
|
|
|
|---|---|---|---|---|---|
|
|
|
|
|
|
|
|
|
|
|
|
|
|
|
|
|
|
|
|
|
|
|
|
|
|
|
|
|
|
|
|
|
|
|
|
|
|
|
|
|
|
|
|
|
|
|
|
|
|
|
|
|
|
|
|
|
|
|
|
|
|
|
|
|
|
|
|
|
|
快速参考恩智浦 文档类别
3 文件
紧凑列表
安全文件正在加载,请稍等