设计文件
收到完整的详细信息。 请参阅产品足迹及更多信息 电子CAD文件.
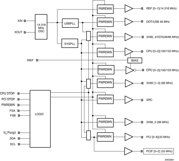
The PCK2023 is a clock synthesizer/driver for a Pentium IV and other similar processors.
The PCK2023 has three differential pair CPU current source outputs. There are ten PCI clock outputs running at 33 MHz and two 48 MHz clocks. There are six 3V66 outputs. Finally, there is one 3.3 V reference clock at 14.318 MHz. All clock outputs meet Intel?s drive strength, rise/fall times, jitter, accuracy, and skew requirements.
The part possesses a dedicated power-down input pin for power management control. This input is synchronized on-chip and ensures glitch-free output transitions.
|
|
|
|
|
|
|
|---|---|---|---|---|---|
|
|
|
|
|
|
|
|
|
|
|
|
|
|
|
|
|
|
|
|
|
|
|
|
|
|
|
|
|
|
|
|
|
|
|
|
|
|
|
|
|
|
|
|
|
|
|
|
|
|
|
|
|
|
|
|
|
|
|
|
|
|
|
|
|
|
|
|
|
|
快速参考恩智浦 文档类别
3 文件
紧凑列表
安全文件正在加载,请稍等