包装信息 (1)
-
Standard product orientation 12NC ending 118[SOT370-1_118]
封装信息 (1)
支持信息 (1)
-
Footprint for reflow soldering[SSOP-TSSOP-VSO-REFLOW]
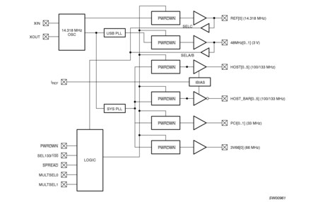
The PCK2021 is a clock synthesizer/driver for a Pentium IIITMand other similar processors.
The PCK2021 has six differential pair CPU current source outputs, two 33 MHz outputs, one 3V66 output, and two 48 MHz clocks which can be disabled on power-up, and one 3.3 V reference clock at 14.318 MHz which can also be disabled on power-up.
The part possesses a dedicated power-down input pin for power management control. This input is synchronized on chip, and ensures glitch-free output transitions. In addition, the part can be configured to disable the 48 MHz outputs for lower power operation and an increase in the performance of the functioning outputs. The REF and PCI outputs can also be disabled for the highest performance of the Host outputs.
|
|
|
|
|
|
|
|---|---|---|---|---|---|
|
|
|
|
|
|
|
|
|
|
|
|
|
|
|
|
|
|
|
|
|
|
|
|
|
|
|
|
|
|
|
|
|
|
|
|
|
|
|
|
|
|
|
|
|
|
|
|
|
|
|
|
|
|
|
|
|
|
|
|
|
|
|
|
|
|
|
|
|
|
快速参考恩智浦 文档类别
4 文件
紧凑列表
安全文件正在加载,请稍等