集成式汽车收音机

  • 本页面包含有关样品阶段产品的信息。此处的规格和信息如有更改,恕不另行通知。如需了解其他信息,请联系支持人员或您的销售代表。

滚动图片以放大

产品详情

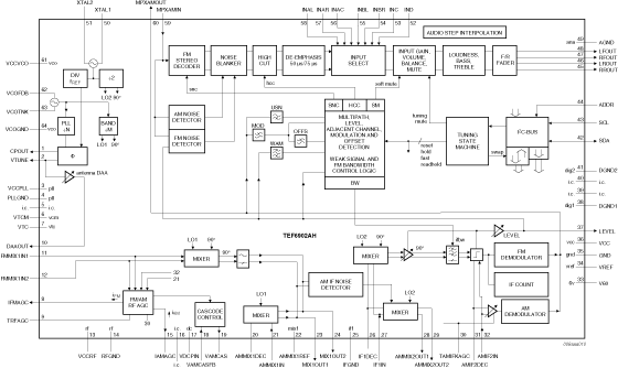
特征

  • FM射频(RF)前端,具有大动态范围
  • 具有可控带宽的集成式FM信道滤波器
  • 全集成式FM解调器
  • 全集成式立体声解码器,具有较高的奇怪噪声免疫力
  • FM噪声抑制器,具有MPX和电平自适应检测
  • 信号质量检测:电平、AM宽带、频率偏差、超声波噪音/相邻信道
  • FM弱信号处理:立体声混合、高切控制和软静音
  • AM RF自动增益控制(AGC)电路,适用于外部级联AGC和PIN二极管AGC
  • 双AM噪声消隐系统
  • AM弱信号处理:高切控制和软静音
  • 低相位噪声本机振荡器
  • 用于优化自适应锁相环路(PLL)调谐速度的内锁检测
  • 具有低谐波的晶体振荡器参考
  • 针对AM和FM的无声软斜率调谐静音
  • 支持每个调谐操作的时序状态机
  • 灵活的音频输入源选择
  • 集成式音频处理和音调滤波
  • 高音、低音和音量音调控制
  • 音量、平衡、音量衰减和输入增益控制
  • 具有音频步插补(ASI)的音频控制,实现无爆音功能
  • 光盘(CD)动态压缩
  • 音量单位(VU)仪音频电平读出

购买/参数










































































































文档

快速参考恩智浦 文档类别

3 文件

紧凑列表

设计文件

支持

您需要什么帮助?