封装信息 (1)
支持信息 (1)
-
Footprint for wave soldering[QFP-SQFP-TQFP-WAVE]
数据手册 (1)
-
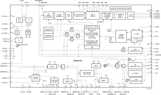
Integrated car radio[TEF6901A]
TEF6901A是单芯片汽车无线电集成电路,具有FM/AM调谐器、立体声解码器、弱信号处理和音频处理。其中包括了用于无线电数据接收的无线电数据系统(RDS)/无线电广播数据系统(RBDS)解调器。
对于IF1和IF2,FM调谐器双转换至IF1 = 10.7 MHz和IF2 = 450 kHz,带有IF1和IF2集成镜像抑制;集成通道滤波器带可变带宽控制;能够使用美国FM、欧洲FM、日本FM和东欧FM。AM调谐器具有到IF1 = 10.7 MHz和IF2 = 450 kHz的双转换;能够处理长波(LW)、中波(MW)和全系列短波(SW)(11 m至120 m频段)。
多路复用(MPX)立体声解码器、点火噪声抑制器和广泛的弱信号处理。
音频处理,具有灵活的信号源选择、音量、平衡、衰减器、输入增益控制和无声调谐静音。适用于低音、高音和响度控制功能的集成式音频过滤器。
该器件可通过快速模式I²C总线(400 kHz)进行控制,并且包括了便于控制的自动调谐功能,无需微控制器定时。无需手工校准。

|
|
|
|
|
|
|
|---|---|---|---|---|---|
|
|
|
|
|
|
|
|
|
|
|
|
|
|
|
|
|
|
|
|
|
|
|
|
|
|
|
|
|
|
|
|
|
|
|
|
|
|
|
|
|
|
|
|
|
|
|
|
|
|
|
|
|
|
|
|
|
|
|
|
|
|
|
|
|
|
|
|
|
|
快速参考恩智浦 文档类别
3 文件
紧凑列表
安全文件正在加载,请稍等