设计文件
收到完整的详细信息。 请参阅产品足迹及更多信息 电子CAD文件.
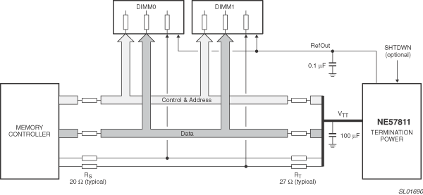
The NE57811 is designed to provide power for termination of a Double Data Rate (DDR) SDRAM memory bus. It significantly reduces parts count, board space, and overall system cost compared to previous solutions.
The NE57811 DDR termination regulator maintains an output voltage (DDR reference bus voltage) that is one-half that of the RAM supply voltage. It is capable of providing up to +-3.5 A for sustained periods. Overcurrent limiting protects the NE57811 from inrush currents at start-up, and overtemperature shutdown protects the device in extreme temperature situations.
The SPAK-5 (SOT756) package is thermally robust for flexibility of thermal design. Because the NE57811 is a linear regulator, no external inductors or switching FETs are necessary. Fast response to load changes reduces the need for output capacitors.
|
|
|
|
|
|
|
|---|---|---|---|---|---|
|
|
|
|
|
|
|
|
|
|
|
|
|
|
|
|
|
|
|
|
|
|
|
|
|
|
|
|
|
|
|
|
|
|
|
|
|
|
|
|
|
|
|
|
|
|
|
|
|
|
|
|
|
|
|
|
|
|
|
|
|
|
|
|
|
|
|
|
|
|
快速参考恩智浦 文档类别
2 文件
紧凑列表
安全文件正在加载,请稍等