封装信息 (1)
-
plastic leaded chip carrier; 44 leads[SOT187-2]
支持信息 (1)
-
Footprint for wave soldering[PLCC-WAVE]
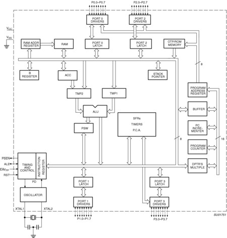
这些设备属通过高级CMOS工艺制造的单芯片8位微控制器,是80C51微控制器系列的衍生产品。指令集与80C51指令集100%兼容。
通过采用并行编程编程OTP位(OX2),这些设备支持6时钟/12时钟模式选择。此外,时钟控制寄存器(CKCON)中的SFR位(X2)也可在6时钟/12时钟模式间选择。
这些设备还具有四个8位I/O端口,三个16位定时器/事件计数器,一个多源,四优先级嵌套中断结构,一个增强型UART以及片内振荡器和定时电路。
P8xC654X2的新增功能使其成为功能强大的微控制器,应用于需要脉宽调制,高速I/O和向上/向下计数能力的应用中(如电机控制)。

|
|
|
|
|
|
|
|---|---|---|---|---|---|
|
|
|
|
|
|
|
|
|
|
|
|
|
|
|
|
|
|
|
|
|
|
|
|
|
|
|
|
|
|
|
|
|
|
|
|
|
|
|
|
|
|
|
|
|
|
|
|
|
|
|
|
|
|
|
|
|
|
|
|
|
|
|
|
|
|
|
|
|
|
快速参考恩智浦 文档类别
3 文件
紧凑列表
安全文件正在加载,请稍等