封装信息 (1)
-
plastic leaded chip carrier; 44 leads[SOT187-2]
支持信息 (1)
-
Footprint for wave soldering[PLCC-WAVE]
本数据手册中所述的飞利浦微控制器属高性能静态80C51设计,采用飞利浦?高密度CMOS技术,工作范围从2.7 V至5.5 V。其同时支持6时钟和12时钟操作。
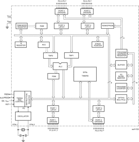
P8xC31X2/51X2和P8xC32X2/52X2/54X2/58X2分别包含128字节RAM 和256字节RAM,32根I/O线,3个16位计数/定时器,一个六源,四优先级嵌套中断结构,一个多处理器通信、I/O扩展或全双工UART的串行I/O端口,以及片内振荡器和时钟电路。
此外,该设备具有低功耗的静态设计,提供低至零的各种工作频率。具有两种可软件配置的降低功耗的模式-空闲模式和掉电模式。空闲模式冻结CPU同时允许RAM、定时器、串口和中断系统继续工作。掉电模式保存RAM内容但冻结振荡器,从而使所有其它芯片功能失效。设计是静态的,因此可以停止时钟而不丢失用户数据。随后可以从时钟停止的时间点恢复执行。

|
|
|
|
|
|
|
|---|---|---|---|---|---|
|
|
|
|
|
|
|
|
|
|
|
|
|
|
|
|
|
|
|
|
|
|
|
|
|
|
|
|
|
|
|
|
|
|
|
|
|
|
|
|
|
|
|
|
|
|
|
|
|
|
|
|
|
|
|
|
|
|
|
|
|
|
|
|
|
|
|
|
|
|
快速参考恩智浦 文档类别
3 文件
紧凑列表
安全文件正在加载,请稍等